UG07C1D30FF1N45

UG07C1D30FF1N45

Шкаф управления INOVA Smart PCS UG07, 1x30 кВт, Схема пуска FF - от ПЧ (без дополнительного оборудования) и от УПП, Схема питания 1N - 1 ввод без АВР (вводной аппарат - выключатель-разъединитель), ~3x380V, IP54 УХЛ4

Основные характеристики

   
Тип шкафа Без блока автоматики
Количество электродвигателей/насосов 1
Номинальная мощность ЭД, кВт 30
Ток ЭД, А 47…62
Ном.ток шкафа, А 70
Схема пуска FF - от ПЧ (без дополнительного оборудования) или УПП
Способ регулирования/управления Частотное
Вид регулирования С обратной связью (по аналоговому датчику)
Схема питания 1N - 1 ввод без АВР (вводной аппарат - выключатель-разъединитель)
Напряжение питания ~3x380V
Степень защиты корпуса и климатическое исполнение IP54 УХЛ4
Производитель: INOVA GROUP
Цена: По запросу (за 1 шт.)

Универсальная серия шкафов управления насосами для промышленных систем с частотным управлением одним ЭД по аналоговому датчику.

Номинальная мощность электродвигателей, кВт: 0,75…75.

Шкафы управления INOVA Smart PCS UG07 предназначены для управления одним электродвигателем насоса или вентилятора в автоматическом режиме с целью частотного регулирования параметра по аналоговому датчику. Используются для поддержания давления, уровня (опорожнение, наполнение), расхода.

Основные функции шкафов управления INOVA Smart PCS UG07:

  • Автоматический, дистанционный, ручной режимы управления;

  • Автоматическое поддержание регулируемого параметра в режиме частотного управления по аналоговому датчику;

  • Плавный пуск электродвигателя (от ПЧ/УПП);

  • Защита от некачественного питания;

  • Защита системы по дискретному датчику;

  • Защита агрегата по любому дискретному датчику;

  • Контроль наработки агрегата;

  • Индикация параметров и состояния оборудования;

  • Сигнализация предупредительная и аварийная;

  • Спящий режим;

  • Возможность передачи данных по интерфейсу и рассылки SMS-сообщений.

Особенности шкафов управления INOVA Smart PCS UG07:

  • Управление и защита электродвигателя различных типов насосов (поверхностных, погружных, скважинных);

  • 3 схемы пуска электродвигателя - позволяют штатно использовать частотное регулирование (от ПЧ, ПЧ или СЕТИ, от ПЧ или УПП);

  • Подключение аналогового датчика любого параметра – позволяет применять шкафы для различных систем;

  • Возможность использовать датчики защиты электродвигателя - значительно продлевает срок службы оборудования и снижает затраты на ремонт;

  • Набор основных входных и выходных сигналов - обеспечивает достаточную диагностику оборудования и системы, а также возможность дистанционного управления;

  • Наличие последовательного интерфейса и SMS-модема - позволяет интегрировать шкаф в другие АСУ ТП и реализовать диспетчеризацию;

  • Набор дополнительных опций – позволяет расширить функционал шкафа.

Применение шкафов управления INOVA Smart PCS UG07 позволяет:

  • Эффективно экономить электроэнергию - за счет использования преобразователя частоты (до 30-50%);

  • Точно поддерживать регулируемый параметр, повысить КПД агрегатов и системы;

  • Значительно уменьшить перегрузки в сети электропитания и динамические перегрузки механизмов во время пуска и останова электродвигателей - за счёт использования преобразователей частоты; для систем водоснабжения - это отсутствие гидроударов и порывов;

  • Повысить надёжность и отказоустойчивость системы - благодаря использованию специальных функций;

  • Повысить информативность о технологическом процессе и получить диагностику работы оборудования;

  • Значительно снизить число отказов оборудования и увеличить межремонтный интервал - за счёт необходимой защиты технологического оборудования;

  • Специалистам по внедрению и эксплуатации иметь возможность быстро и просто выполнить монтаж и запустить систему в эксплуатацию;

  • Существенно уменьшить влияние человеческого фактора.

Шкафы управления INOVA Smart PCS UG07 применяются в следующих отраслях промышленности:

  • Водоснабжение и водоотведение;

  • ЖКХ;

  • Теплоэнергетика;

  • Нефтедобывающая и нефтеперерабатывающая промышленность;

  • Другие сферы, где используется насосное и вентиляторное оборудование.

Шкафы управления INOVA Smart PCS UG07 используются для следующих технологических систем:

  • Водозаборные системы (насосные станции 1 подъёма, скважины);

  • Водонапорные системы (насосные станции 2 и 3 подъёма);

  • Системы водоотведения (КНС, КОС);

  • Системы теплоснабжения (ТЭЦ, котельные);

  • Циркуляционные системы (отопление, вентиляция и кондиционирование, охлаждение - ЦТП, ИТП, градирни и пр.);

  • Вентиляторные и воздуходувные системы (котельные, КОС);

  • Системы транспортировки и перекачки нефтепродуктов (ДНС);

  • Вспомогательные системы различного назначения.

Конфигурация и исполнение

Тип шкафа
Без блока автоматики
Количество электродвигателей/насосов
1
Номинальная мощность ЭД, кВт
30
Ток ЭД, А
47…62
Ном.ток шкафа, А
70
Схема пуска
FF - от ПЧ (без дополнительного оборудования) или УПП
Способ регулирования/управления
Частотное
Вид регулирования
С обратной связью (по аналоговому датчику)
Компоновка шкафа
Моноблок
Размещение шкафа
Напольное
Размещение органов ручного управления и индикации
На дверце шкафа

Электропитание и силовое электрооборудование

Схема питания
1N - 1 ввод без АВР (вводной аппарат - выключатель-разъединитель)
Напряжение питания
~3x380V
Тип питающей сети
TN-С, TN-S, TN-C-S
Требования к электроснабжению
Напряжение: 380 В ±10%; Частота: 50 Гц ±0,2
Способ управления вводным выключателем
Рукоятка на аппарате
Подключение кабеля питания
Снизу, на клеммы
Подключение кабеля ЭД
Снизу, на клеммы
Источник питания для внешних устройств, требующих отдельного питания
220V AC 2А

Внешние входы/выходы и интерфейс

Аналоговые входы
1
Аналоговые выходы
-
Дискретные входы
3
Дискретные выходы
3
Внешний интерфейс
RS-485 Modbus RTU (в ПЧ)
Интерфейс пользователя (ЧМИ)
Терминал на ПЧ (внутри шкафа)
Органы индикации и ручного управления
Лампы "Питание", "Авария"; "Работа", Переключатель "Мест-О-Дист", Кнопка "Пуск/Стоп", Переключатель "Сеть-ПЧ"

Условия эксплуатации

Степень защиты корпуса и климатическое исполнение
IP54 УХЛ4
Температура и влажность окружающей среды (при эксплуатации)
+1…+40 °С, до 80 % при 25°С (исполнение УХЛ4 – в отапливаемых помещениях)
Исполнение взрывозащиты
Без взрывозащиты (общепромышленное)
Материал корпуса
Сталь
Цвет корпуса
Серый (RAL7035)
Габаритные размеры (В/Ш/Г), мм
2000/600/400
Вес, кг
193

Дополнительное оборудование

Наименование
Датчики уровня
00ID7801
Датчик уровня поплавковый Reifa SAS, 3 м, Подвесной, Дискр.выход: 1xNO, Кабель 3м, IP68
По запросу (за 1 шт.)
00ID7803
Датчик уровня поплавковый Reifa E, 3 м, Подвесной, Дискр.выход: 1xNC, Кабель 3м, IP68
По запросу (за 1 шт.)
00ID7805
Датчик уровня поплавковый Reifa SAS, 5 м, Подвесной, Дискр.выход: 1xNO, Кабель 5м, IP68
По запросу (за 1 шт.)
00ID7807
Датчик уровня поплавковый Reifa E, 5 м, Подвесной, Дискр.выход: 1xNC, Кабель 5м, IP68
По запросу (за 1 шт.)
00ID7809
Датчик уровня поплавковый Reifa SAS, 10 м, Подвесной, Дискр.выход: 1xNO, Кабель 10м, IP68
По запросу (за 1 шт.)
00ID7811
Датчик уровня поплавковый Reifa E, 10 м, Подвесной, Дискр.выход: 1xNC, Кабель 10м, IP68
По запросу (за 1 шт.)
00ID7942
Датчик уровня поплавковый Reifa SAS, 20 м, Подвесной, Дискр.выход: 1xNO, Кабель 20м, IP68
По запросу (за 1 шт.)
00ID7944
Датчик уровня поплавковый Reifa E, 20 м, Подвесной, Дискр.выход: 1xNC, Кабель 20м, IP68
По запросу (за 1 шт.)
52010122
Датчик уровня поплавковый Liquifloat T FTS20, 5 м, Подвесной, Дискр.выход: 1xNO/NC, Кабель 5м, IP68
По запросу (за 1 шт.)
52010123
Датчик уровня поплавковый Liquifloat T FTS20, 5 м, Подвесной, Дискр.выход: 1xNO/NC, Кабель 5м, IP68
По запросу (за 1 шт.)
52010124
Датчик уровня поплавковый Liquifloat T FTS20, 5 м, Подвесной, Дискр.выход: 1xNO/NC, Кабель 5м, IP68
По запросу (за 1 шт.)
71035520
Датчик уровня поплавковый Liquifloat T FTS20, 20 м, Подвесной, Дискр.выход: 1xNO/NC, Кабель 20м, IP68
По запросу (за 1 шт.)
71035521
Датчик уровня поплавковый Liquifloat T FTS20, 20 м, Подвесной, Дискр.выход: 1xNO/NC, Кабель 20м, IP68
По запросу (за 1 шт.)
71035522
Датчик уровня поплавковый Liquifloat T FTS20, 20 м, Подвесной, Дискр.выход: 1xNO/NC, Кабель 20м, IP68
По запросу (за 1 шт.)
91073205
Датчик уровня поплавковый MS1, 30 м, Подвесной, Дискр.выход: 1xNO/NC, Кабель 30м, IP68
По запросу (за 1 шт.)
91713437
Датчик уровня кондуктометрический стержневой VNI 4-10, 1 м, Резьба G1?" наруж., Дискр.выход: 4xConductor, Кабель 10м
По запросу (за 1 шт.)
96003332
Датчик уровня поплавковый MS1, 10 м, Подвесной, Дискр.выход: 1xNO/NC, Кабель 10м, IP68
По запросу (за 1 шт.)
96003695
Датчик уровня поплавковый MS1, 20 м, Подвесной, Дискр.выход: 1xNO/NC, Кабель 20м, IP68
По запросу (за 1 шт.)
96076189
Датчик уровня кондуктометрический стержневой VNI 3-10, 1 м, Резьба G1?" наруж., Дискр.выход: 3xConductor, Кабель 10м
По запросу (за 1 шт.)
96076289
Датчик уровня кондуктометрический стержневой VNI 1-10, 1 м, Резьба G1?" наруж., Дискр.выход: 1xConductor, Кабель 10м
По запросу (за 1 шт.)
FMR50-AALCCABMGGF
Датчик уровня радарный Micropilot FMR50, 30 м, 0,02 %, Резьба G1?" наруж., Аналог.выход: 4…20 мА HART 4-проводн., Сальник М20, IP68
По запросу (за 1 шт.)
FMU40-ARH2A2
Датчик уровня ультразвуковой Prosonic M FMU40, 0…5 м, 0,2 %, Резьба G1?" наруж., Аналог.выход: 4…20 мА HART 4-проводн., Сальник М20, IP68
По запросу (за 1 шт.)
FMU41-ARH2A2
Датчик уровня ультразвуковой Prosonic M FMU41, 0…8 м, 0,2 %, Резьба G2" наруж., Аналог.выход: 4…20 мА HART 4-проводн., Сальник М20, IP68
По запросу (за 1 шт.)
FMU42-APH2A22A
Датчик уровня ультразвуковой Prosonic M FMU42, 0…10 м, 0,2 %, Фланец DN80, DN100, Аналог.выход: 4…20 мА HART 4-проводн., Сальник М20, IP68
По запросу (за 1 шт.)
FMU43-AKH2A2
Датчик уровня ультразвуковой Prosonic M FMU43, 0…15 м, 0,2 %, Фланец DN100, Аналог.выход: 4…20 мА HART 4-проводн., Сальник М20, IP68
По запросу (за 1 шт.)
FMU44-ATH2A22A
Датчик уровня ультразвуковой Prosonic M FMU44, 0…20 м, 0,2 %, Фланец DN100, DN150, DN200, Аналог.выход: 4…20 мА HART 4-проводн., Сальник М20, IP68
По запросу (за 1 шт.)
FMX167-A1AMB1A7
Датчик уровня гидростатический Waterpilot FMX167, 0…2 м в.с., 0,2 %, Погружной, Аналог.выход: 4…20 мА 2-проводн., Кабель 2м, IP68
По запросу (за 1 шт.)
FMX167-A1AMC1A7
Датчик уровня гидростатический Waterpilot FMX167, 0…4 м в.с., 0,2 %, Погружной, Аналог.выход: 4…20 мА 2-проводн., Кабель 4м, IP68
По запросу (за 1 шт.)
FMX167-A1AMD1A7
Датчик уровня гидростатический Waterpilot FMX167, 0…6 м в.с., 0,2 %, Погружной, Аналог.выход: 4…20 мА 2-проводн., Кабель 6м, IP68
По запросу (за 1 шт.)
FMX167-A1AME1B7
Датчик уровня гидростатический Waterpilot FMX167, 0…10 м в.с., 0,2 %, Погружной, Аналог.выход: 4…20 мА 2-проводн., Кабель 10м, IP68
По запросу (за 1 шт.)
FMX167-A1AMF1C7
Датчик уровня гидростатический Waterpilot FMX167, 0…20 м в.с., 0,2 %, Погружной, Аналог.выход: 4…20 мА 2-проводн., Кабель 20м, IP68
По запросу (за 1 шт.)
FMX167-A1AMG1A7
Датчик уровня гидростатический Waterpilot FMX167, 0…40 м в.с., 0,2 %, Погружной, Аналог.выход: 4…20 мА 2-проводн., Кабель 40м, IP68
По запросу (за 1 шт.)
FMX167-A1AMH1A7
Датчик уровня гидростатический Waterpilot FMX167, 0…100 м в.с., 0,2 %, Погружной, Аналог.выход: 4…20 мА 2-проводн., Кабель 100м, IP68
По запросу (за 1 шт.)
FTL20-0010
Датчик уровня вибрационный Liquiphant T FTL20, Наличие среды, Резьба G1/2" наруж., Дискр.выход: 1xNO/NC 2-пров., 19…253 В перем.тока, Разъём "plug", IP65
По запросу (за 1 шт.)
FTL20-0020
Датчик уровня вибрационный Liquiphant T FTL20, Наличие среды, Резьба G1/2" наруж., Дискр.выход: 1xNO/NC PNP 3-пров., 10…35 В пост.тока, Разъём "plug", IP65
По запросу (за 1 шт.)
FTL20-0110
Датчик уровня вибрационный Liquiphant T FTL20, Наличие среды, Резьба G3/4" наруж., Дискр.выход: 1xNO/NC 2-пров., 19…253 В перем.тока, Разъём "plug", IP65
По запросу (за 1 шт.)
FTL20-0120
Датчик уровня вибрационный Liquiphant T FTL20, Наличие среды, Резьба G3/4" наруж., Дискр.выход: 1xNO/NC PNP 3-пров., 10…35 В пост.тока, Разъём "plug", IP65
По запросу (за 1 шт.)
FTL50-AGQ2AA1G4A
Датчик уровня вибрационный Liquiphant T FTL50, Наличие среды, Резьба G3/4" наруж., Дискр.выход: 1xNO/NC 2-пров., 19…253 В перем.тока, Сальник М20, IP66
По запросу (за 1 шт.)
FTL50-AGQ2AA2G4A
Датчик уровня вибрационный Liquiphant T FTL50, Наличие среды, Резьба G3/4" наруж., Дискр.выход: 1xNO/NC PNP 3-пров., 10…55 В пост.тока, Сальник М20, IP66
По запросу (за 1 шт.)
FTW31-A1A2CA0A
Датчик уровня кондуктометрический стержневой Liquipoint T FTW31, 1 м, Резьба G1?" наруж., Дискр.выход: 2xConductor, Сальник М20, IP66
По запросу (за 1 шт.)
FTW31-A1A2CA4A
Датчик уровня кондуктометрический стержневой Liquipoint T FTW31, 1 м, Резьба G1?" наруж., Дискр.выход: 1xNO/NC, Сальник М20, IP66
По запросу (за 1 шт.)
FTW31-A1A2DA0A
Датчик уровня кондуктометрический стержневой Liquipoint T FTW31, 2 м, Резьба G1?" наруж., Дискр.выход: 2xConductor, Сальник М20, IP66
По запросу (за 1 шт.)
FTW31-A1A2DA4A
Датчик уровня кондуктометрический стержневой Liquipoint T FTW31, 2 м, Резьба G1?" наруж., Дискр.выход: 1xNO/NC, Сальник М20, IP66
По запросу (за 1 шт.)
FTW31-A1A2HA0A
Датчик уровня кондуктометрический стержневой Liquipoint T FTW31, 0,5 м, Резьба G1?" наруж., Дискр.выход: 2xConductor, Сальник М20, IP66
По запросу (за 1 шт.)
FTW31-A1A2HA4A
Датчик уровня кондуктометрический стержневой Liquipoint T FTW31, 0,5 м, Резьба G1?" наруж., Дискр.выход: 1xNO/NC, Сальник М20, IP66
По запросу (за 1 шт.)
FTW31-A1A3CA0A
Датчик уровня кондуктометрический стержневой Liquipoint T FTW31, 1 м, Резьба G1?" наруж., Дискр.выход: 3xConductor, Сальник М20, IP66
По запросу (за 1 шт.)
FTW31-A1A3CA4A
Датчик уровня кондуктометрический стержневой Liquipoint T FTW31, 1 м, Резьба G1?" наруж., Дискр.выход: 2xNO/NC, Сальник М20, IP66
По запросу (за 1 шт.)
FTW31-A1A3DA0A
Датчик уровня кондуктометрический стержневой Liquipoint T FTW31, 2 м, Резьба G1?" наруж., Дискр.выход: 3xConductor, Сальник М20, IP66
По запросу (за 1 шт.)
FTW31-A1A3DA4A
Датчик уровня кондуктометрический стержневой Liquipoint T FTW31, 2 м, Резьба G1?" наруж., Дискр.выход: 2xNO/NC, Сальник М20, IP66
По запросу (за 1 шт.)
FTW31-A1A3HA0A
Датчик уровня кондуктометрический стержневой Liquipoint T FTW31, 0,5 м, Резьба G1?" наруж., Дискр.выход: 3xConductor, Сальник М20, IP66
По запросу (за 1 шт.)
FTW31-A1A3HA4A
Датчик уровня кондуктометрический стержневой Liquipoint T FTW31, 0,5 м, Резьба G1?" наруж., Дискр.выход: 2xNO/NC, Сальник М20, IP66
По запросу (за 1 шт.)
FTW31-A1A5CA0A
Датчик уровня кондуктометрический стержневой Liquipoint T FTW31, 1 м, Резьба G1?" наруж., Дискр.выход: 5xConductor, Сальник М20, IP66
По запросу (за 1 шт.)
FTW31-A1A5DA0A
Датчик уровня кондуктометрический стержневой Liquipoint T FTW31, 2 м, Резьба G1?" наруж., Дискр.выход: 5xConductor, Сальник М20, IP66
По запросу (за 1 шт.)
FTW31-A1A5HA0A
Датчик уровня кондуктометрический стержневой Liquipoint T FTW31, 0,5 м, Резьба G1?" наруж., Дискр.выход: 5xConductor, Сальник М20, IP66
По запросу (за 1 шт.)
LMT100
Датчик уровня ёмкостный LMT100, Наличие среды, Резьба G1/2" наруж., Дискр.выход: 1xNO/NC PNP, Разъём M12 наруж., IP68/IP69K
По запросу (за 1 шт.)
PS3208
Датчик уровня гидростатический PS3, 0…0,25 бар (0…2,5 м в.с.), 0,5 %, Погружной, Аналог.выход: 4…20 мА 2-проводн., Кабель 5м, IP68
По запросу (за 1 шт.)
PS3407
Датчик уровня гидростатический PS3, 0…0,6 бар (0…6 м в.с.), 0,5 %, Погружной, Аналог.выход: 4…20 мА 2-проводн., Кабель 10м, IP68
По запросу (за 1 шт.)
PS3417
Датчик уровня гидростатический PS3, 0…1 бар (0…10 м в.с.), 0,5 %, Погружной, Аналог.выход: 4…20 мА 2-проводн., Кабель 15м, IP68
По запросу (за 1 шт.)
Датчики давления
017D002466
Реле перепада давления RT 260A, 1,5…11 бар, - %, Резьба G3/8" наруж., Мембрана: Закрытая, Дискр.выход: 1xNO/NC, Гермоввод, IP66
По запросу (за 1 шт.)
060-118966
Реле избыточного давления KPI-36, 4…12 бар, - %, Резьба G1/4" наруж., Мембрана: Закрытая, Дискр.выход: 1xNO/NC, Гермоввод, IP30
По запросу (за 1 шт.)
060-121766
Реле избыточного давления KPI-35, -0,2…8 бар, - %, Резьба G1/4" наруж., Мембрана: Закрытая, Дискр.выход: 1xNO/NC, Гермоввод, IP30
По запросу (за 1 шт.)
PMC131-A11F1A1G
Датчик избыточного давления Cerabar T PMC131, 0…1 бар, 0,5 %, Резьба G1/2" наруж., Мембрана: Закрытая, Аналог.выход: 4…20 мА 2-проводн., Разъём М16 DIN 43650, IP65
По запросу (за 1 шт.)
PMC131-A11F1A1H
Датчик избыточного давления Cerabar T PMC131, 0…1,6 бар, 0,5 %, Резьба G1/2" наруж., Мембрана: Закрытая, Аналог.выход: 4…20 мА 2-проводн., Разъём М16 DIN 43650, IP65
По запросу (за 1 шт.)
PMC131-A11F1A1K
Датчик избыточного давления Cerabar T PMC131, 0…2 бар, 0,5 %, Резьба G1/2" наруж., Мембрана: Закрытая, Аналог.выход: 4…20 мА 2-проводн., Разъём М16 DIN 43650, IP65
По запросу (за 1 шт.)
PMC131-A11F1A1Q
Датчик избыточного давления Cerabar T PMC131, 0…4 бар, 0,5 %, Резьба G1/2" наруж., Мембрана: Закрытая, Аналог.выход: 4…20 мА 2-проводн., Разъём М16 DIN 43650, IP65
По запросу (за 1 шт.)
PMC131-A11F1A1R
Датчик избыточного давления Cerabar T PMC131, 0…6 бар, 0,5 %, Резьба G1/2" наруж., Мембрана: Закрытая, Аналог.выход: 4…20 мА 2-проводн., Разъём М16 DIN 43650, IP65
По запросу (за 1 шт.)
PMC131-A11F1A1S
Датчик избыточного давления Cerabar T PMC131, 0…10 бар, 0,5 %, Резьба G1/2" наруж., Мембрана: Закрытая, Аналог.выход: 4…20 мА 2-проводн., Разъём М16 DIN 43650, IP65
По запросу (за 1 шт.)
PMC131-A11F1A1T
Датчик избыточного давления Cerabar T PMC131, 0…16 бар, 0,5 %, Резьба G1/2" наруж., Мембрана: Закрытая, Аналог.выход: 4…20 мА 2-проводн., Разъём М16 DIN 43650, IP65
По запросу (за 1 шт.)
PMC131-A11F1A1V
Датчик избыточного давления Cerabar T PMC131, 0…20 бар, 0,5 %, Резьба G1/2" наруж., Мембрана: Закрытая, Аналог.выход: 4…20 мА 2-проводн., Разъём М16 DIN 43650, IP65
По запросу (за 1 шт.)
PMC131-A11F1A1W
Датчик избыточного давления Cerabar T PMC131, 0…25 бар, 0,5 %, Резьба G1/2" наруж., Мембрана: Закрытая, Аналог.выход: 4…20 мА 2-проводн., Разъём М16 DIN 43650, IP65
По запросу (за 1 шт.)
PMC131-A11F1A1X
Датчик избыточного давления Cerabar T PMC131, 0…40 бар, 0,5 %, Резьба G1/2" наруж., Мембрана: Закрытая, Аналог.выход: 4…20 мА 2-проводн., Разъём М16 DIN 43650, IP65
По запросу (за 1 шт.)
PMC131-A11F1A3C
Датчик избыточного давления Cerabar T PMC131, -1…0 бар, 0,5 %, Резьба G1/2" наруж., Мембрана: Закрытая, Аналог.выход: 4…20 мА 2-проводн., Разъём М16 DIN 43650, IP65
По запросу (за 1 шт.)
PMC131-A11F1A3E
Датчик избыточного давления Cerabar T PMC131, -1…1 бар, 0,5 %, Резьба G1/2" наруж., Мембрана: Закрытая, Аналог.выход: 4…20 мА 2-проводн., Разъём М16 DIN 43650, IP65
По запросу (за 1 шт.)
PMC131-A11F1A3G
Датчик избыточного давления Cerabar T PMC131, -1…3 бар, 0,5 %, Резьба G1/2" наруж., Мембрана: Закрытая, Аналог.выход: 4…20 мА 2-проводн., Разъём М16 DIN 43650, IP65
По запросу (за 1 шт.)
PMC131-A11F1A3K
Датчик избыточного давления Cerabar T PMC131, -1…9 бар, 0,5 %, Резьба G1/2" наруж., Мембрана: Закрытая, Аналог.выход: 4…20 мА 2-проводн., Разъём М16 DIN 43650, IP65
По запросу (за 1 шт.)
PMC131-A11F1A3N
Датчик избыточного давления Cerabar T PMC131, -1…15 бар, 0,5 %, Резьба G1/2" наруж., Мембрана: Закрытая, Аналог.выход: 4…20 мА 2-проводн., Разъём М16 DIN 43650, IP65
По запросу (за 1 шт.)
PMC131-A11F1D10
Датчик избыточного давления Cerabar T PMC131, 0…100 мбар, 0,5 %, Резьба G1/2" наруж., Мембрана: Закрытая, Аналог.выход: 4…20 мА 2-проводн., Разъём М16 DIN 43650, IP65
По запросу (за 1 шт.)
PMC131-A11F1D12
Датчик избыточного давления Cerabar T PMC131, 0…200 мбар, 0,5 %, Резьба G1/2" наруж., Мембрана: Закрытая, Аналог.выход: 4…20 мА 2-проводн., Разъём М16 DIN 43650, IP65
По запросу (за 1 шт.)
PMC131-A11F1D14
Датчик избыточного давления Cerabar T PMC131, 0…400 мбар, 0,5 %, Резьба G1/2" наруж., Мембрана: Закрытая, Аналог.выход: 4…20 мА 2-проводн., Разъём М16 DIN 43650, IP65
По запросу (за 1 шт.)
PMC131-A11F1D31
Датчик избыточного давления Cerabar T PMC131, -100…100 мбар, 0,5 %, Резьба G1/2" наруж., Мембрана: Закрытая, Аналог.выход: 4…20 мА 2-проводн., Разъём М16 DIN 43650, IP65
По запросу (за 1 шт.)
PMC131-A11F1D38
Датчик избыточного давления Cerabar T PMC131, -200…200 мбар, 0,5 %, Резьба G1/2" наруж., Мембрана: Закрытая, Аналог.выход: 4…20 мА 2-проводн., Разъём М16 DIN 43650, IP65
По запросу (за 1 шт.)
PMC131-A11F1D39
Датчик избыточного давления Cerabar T PMC131, -300…300 мбар, 0,5 %, Резьба G1/2" наруж., Мембрана: Закрытая, Аналог.выход: 4…20 мА 2-проводн., Разъём М16 DIN 43650, IP65
По запросу (за 1 шт.)
PMC131-A11F1D3W
Датчик избыточного давления Cerabar T PMC131, -20…20 мбар, 0,5 %, Резьба G1/2" наруж., Мембрана: Закрытая, Аналог.выход: 4…20 мА 2-проводн., Разъём М16 DIN 43650, IP65
По запросу (за 1 шт.)
PMP131-A1101A1G
Датчик избыточного давления Cerabar T PMP131, 0…1 бар, 0,5 %, Резьба G1/2" наруж., Мембрана: Закрытая, Аналог.выход: 4…20 мА 2-проводн., Разъём М16 DIN 43650, IP65
По запросу (за 1 шт.)
PMP131-A1101A1H
Датчик избыточного давления Cerabar T PMP131, 0…1,6 бар, 0,5 %, Резьба G1/2" наруж., Мембрана: Закрытая, Аналог.выход: 4…20 мА 2-проводн., Разъём М16 DIN 43650, IP65
По запросу (за 1 шт.)
PMP131-A1101A1N
Датчик избыточного давления Cerabar T PMP131, 0…2,5 бар, 0,5 %, Резьба G1/2" наруж., Мембрана: Закрытая, Аналог.выход: 4…20 мА 2-проводн., Разъём М16 DIN 43650, IP65
По запросу (за 1 шт.)
PMP131-A1101A1Q
Датчик избыточного давления Cerabar T PMP131, 0…4 бар, 0,5 %, Резьба G1/2" наруж., Мембрана: Закрытая, Аналог.выход: 4…20 мА 2-проводн., Разъём М16 DIN 43650, IP65
По запросу (за 1 шт.)
PMP131-A1101A1R
Датчик избыточного давления Cerabar T PMP131, 0…6 бар, 0,5 %, Резьба G1/2" наруж., Мембрана: Закрытая, Аналог.выход: 4…20 мА 2-проводн., Разъём М16 DIN 43650, IP65
По запросу (за 1 шт.)
PMP131-A1101A1S
Датчик избыточного давления Cerabar T PMP131, 0…10 бар, 0,5 %, Резьба G1/2" наруж., Мембрана: Закрытая, Аналог.выход: 4…20 мА 2-проводн., Разъём М16 DIN 43650, IP65
По запросу (за 1 шт.)
PMP131-A1101A1T
Датчик избыточного давления Cerabar T PMP131, 0…16 бар, 0,5 %, Резьба G1/2" наруж., Мембрана: Закрытая, Аналог.выход: 4…20 мА 2-проводн., Разъём М16 DIN 43650, IP65
По запросу (за 1 шт.)
PMP131-A1101A1W
Датчик избыточного давления Cerabar T PMP131, 0…25 бар, 0,5 %, Резьба G1/2" наруж., Мембрана: Закрытая, Аналог.выход: 4…20 мА 2-проводн., Разъём М16 DIN 43650, IP65
По запросу (за 1 шт.)
PMP131-A1101A1X
Датчик избыточного давления Cerabar T PMP131, 0…40 бар, 0,5 %, Резьба G1/2" наруж., Мембрана: Закрытая, Аналог.выход: 4…20 мА 2-проводн., Разъём М16 DIN 43650, IP65
По запросу (за 1 шт.)
PMP131-A1101A1Z
Датчик избыточного давления Cerabar T PMP131, 0…60 бар, 0,5 %, Резьба G1/2" наруж., Мембрана: Закрытая, Аналог.выход: 4…20 мА 2-проводн., Разъём М16 DIN 43650, IP65
По запросу (за 1 шт.)
PMP131-A1101A70
Датчик избыточного давления Cerabar T PMP131, 0…100 бар, 0,5 %, Резьба G1/2" наруж., Мембрана: Закрытая, Аналог.выход: 4…20 мА 2-проводн., Разъём М16 DIN 43650, IP65
По запросу (за 1 шт.)
PMP131-A1101A71
Датчик избыточного давления Cerabar T PMP131, 0…160 бар, 0,5 %, Резьба G1/2" наруж., Мембрана: Закрытая, Аналог.выход: 4…20 мА 2-проводн., Разъём М16 DIN 43650, IP65
По запросу (за 1 шт.)
PMP131-A1101A73
Датчик избыточного давления Cerabar T PMP131, 0…250 бар, 0,5 %, Резьба G1/2" наруж., Мембрана: Закрытая, Аналог.выход: 4…20 мА 2-проводн., Разъём М16 DIN 43650, IP65
По запросу (за 1 шт.)
PMP131-A1101A74
Датчик избыточного давления Cerabar T PMP131, 0…400 бар, 0,5 %, Резьба G1/2" наруж., Мембрана: Закрытая, Аналог.выход: 4…20 мА 2-проводн., Разъём М16 DIN 43650, IP65
По запросу (за 1 шт.)
PMP131-A1401A1G
Датчик избыточного давления Cerabar T PMP131, 0…1 бар, 0,5 %, Резьба G1/4" наруж., Мембрана: Закрытая, Аналог.выход: 4…20 мА 2-проводн., Разъём М16 DIN 43650, IP65
По запросу (за 1 шт.)
PMP131-A1401A1H
Датчик избыточного давления Cerabar T PMP131, 0…1,6 бар, 0,5 %, Резьба G1/4" наруж., Мембрана: Закрытая, Аналог.выход: 4…20 мА 2-проводн., Разъём М16 DIN 43650, IP65
По запросу (за 1 шт.)
PMP131-A1401A1N
Датчик избыточного давления Cerabar T PMP131, 0…2,5 бар, 0,5 %, Резьба G1/4" наруж., Мембрана: Закрытая, Аналог.выход: 4…20 мА 2-проводн., Разъём М16 DIN 43650, IP65
По запросу (за 1 шт.)
PMP131-A1401A1Q
Датчик избыточного давления Cerabar T PMP131, 0…4 бар, 0,5 %, Резьба G1/4" наруж., Мембрана: Закрытая, Аналог.выход: 4…20 мА 2-проводн., Разъём М16 DIN 43650, IP65
По запросу (за 1 шт.)
PMP131-A1401A1R
Датчик избыточного давления Cerabar T PMP131, 0…6 бар, 0,5 %, Резьба G1/4" наруж., Мембрана: Закрытая, Аналог.выход: 4…20 мА 2-проводн., Разъём М16 DIN 43650, IP65
По запросу (за 1 шт.)
PMP131-A1401A1S
Датчик избыточного давления Cerabar T PMP131, 0…10 бар, 0,5 %, Резьба G1/4" наруж., Мембрана: Закрытая, Аналог.выход: 4…20 мА 2-проводн., Разъём М16 DIN 43650, IP65
По запросу (за 1 шт.)
PMP131-A1401A1T
Датчик избыточного давления Cerabar T PMP131, 0…16 бар, 0,5 %, Резьба G1/4" наруж., Мембрана: Закрытая, Аналог.выход: 4…20 мА 2-проводн., Разъём М16 DIN 43650, IP65
По запросу (за 1 шт.)
PMP131-A1401A1W
Датчик избыточного давления Cerabar T PMP131, 0…25 бар, 0,5 %, Резьба G1/4" наруж., Мембрана: Закрытая, Аналог.выход: 4…20 мА 2-проводн., Разъём М16 DIN 43650, IP65
По запросу (за 1 шт.)
PMP131-A1401A1X
Датчик избыточного давления Cerabar T PMP131, 0…40 бар, 0,5 %, Резьба G1/4" наруж., Мембрана: Закрытая, Аналог.выход: 4…20 мА 2-проводн., Разъём М16 DIN 43650, IP65
По запросу (за 1 шт.)
PMP131-A1401A1Z
Датчик избыточного давления Cerabar T PMP131, 0…60 бар, 0,5 %, Резьба G1/4" наруж., Мембрана: Закрытая, Аналог.выход: 4…20 мА 2-проводн., Разъём М16 DIN 43650, IP65
По запросу (за 1 шт.)
PMP131-A1401A70
Датчик избыточного давления Cerabar T PMP131, 0…100 бар, 0,5 %, Резьба G1/4" наруж., Мембрана: Закрытая, Аналог.выход: 4…20 мА 2-проводн., Разъём М16 DIN 43650, IP65
По запросу (за 1 шт.)
PMP131-A1401A71
Датчик избыточного давления Cerabar T PMP131, 0…160 бар, 0,5 %, Резьба G1/4" наруж., Мембрана: Закрытая, Аналог.выход: 4…20 мА 2-проводн., Разъём М16 DIN 43650, IP65
По запросу (за 1 шт.)
PMP131-A1401A73
Датчик избыточного давления Cerabar T PMP131, 0…250 бар, 0,5 %, Резьба G1/4" наруж., Мембрана: Закрытая, Аналог.выход: 4…20 мА 2-проводн., Разъём М16 DIN 43650, IP65
По запросу (за 1 шт.)
PMP131-A1401A74
Датчик избыточного давления Cerabar T PMP131, 0…400 бар, 0,5 %, Резьба G1/4" наруж., Мембрана: Закрытая, Аналог.выход: 4…20 мА 2-проводн., Разъём М16 DIN 43650, IP65
По запросу (за 1 шт.)
PMP131-A1601A1G
Датчик избыточного давления Cerabar T PMP131, 0…1 бар, 0,5 %, Резьба М20х1,5 наруж., Мембрана: Закрытая, Аналог.выход: 4…20 мА 2-проводн., Разъём М16 DIN 43650, IP65
По запросу (за 1 шт.)
PMP131-A1601A1H
Датчик избыточного давления Cerabar T PMP131, 0…1,6 бар, 0,5 %, Резьба М20х1,5 наруж., Мембрана: Закрытая, Аналог.выход: 4…20 мА 2-проводн., Разъём М16 DIN 43650, IP65
По запросу (за 1 шт.)
PMP131-A1601A1N
Датчик избыточного давления Cerabar T PMP131, 0…2,5 бар, 0,5 %, Резьба М20х1,5 наруж., Мембрана: Закрытая, Аналог.выход: 4…20 мА 2-проводн., Разъём М16 DIN 43650, IP65
По запросу (за 1 шт.)
PMP131-A1601A1Q
Датчик избыточного давления Cerabar T PMP131, 0…4 бар, 0,5 %, Резьба М20х1,5 наруж., Мембрана: Закрытая, Аналог.выход: 4…20 мА 2-проводн., Разъём М16 DIN 43650, IP65
По запросу (за 1 шт.)
PMP131-A1601A1R
Датчик избыточного давления Cerabar T PMP131, 0…6 бар, 0,5 %, Резьба М20х1,5 наруж., Мембрана: Закрытая, Аналог.выход: 4…20 мА 2-проводн., Разъём М16 DIN 43650, IP65
По запросу (за 1 шт.)
PMP131-A1601A1S
Датчик избыточного давления Cerabar T PMP131, 0…10 бар, 0,5 %, Резьба М20х1,5 наруж., Мембрана: Закрытая, Аналог.выход: 4…20 мА 2-проводн., Разъём М16 DIN 43650, IP65
По запросу (за 1 шт.)
PMP131-A1601A1T
Датчик избыточного давления Cerabar T PMP131, 0…16 бар, 0,5 %, Резьба М20х1,5 наруж., Мембрана: Закрытая, Аналог.выход: 4…20 мА 2-проводн., Разъём М16 DIN 43650, IP65
По запросу (за 1 шт.)
PMP131-A1601A1W
Датчик избыточного давления Cerabar T PMP131, 0…25 бар, 0,5 %, Резьба М20х1,5 наруж., Мембрана: Закрытая, Аналог.выход: 4…20 мА 2-проводн., Разъём М16 DIN 43650, IP65
По запросу (за 1 шт.)
PMP131-A1601A1X
Датчик избыточного давления Cerabar T PMP131, 0…40 бар, 0,5 %, Резьба М20х1,5 наруж., Мембрана: Закрытая, Аналог.выход: 4…20 мА 2-проводн., Разъём М16 DIN 43650, IP65
По запросу (за 1 шт.)
PMP131-A1601A1Z
Датчик избыточного давления Cerabar T PMP131, 0…60 бар, 0,5 %, Резьба М20х1,5 наруж., Мембрана: Закрытая, Аналог.выход: 4…20 мА 2-проводн., Разъём М16 DIN 43650, IP65
По запросу (за 1 шт.)
PMP131-A1601A70
Датчик избыточного давления Cerabar T PMP131, 0…100 бар, 0,5 %, Резьба М20х1,5 наруж., Мембрана: Закрытая, Аналог.выход: 4…20 мА 2-проводн., Разъём М16 DIN 43650, IP65
По запросу (за 1 шт.)
PMP131-A1601A71
Датчик избыточного давления Cerabar T PMP131, 0…160 бар, 0,5 %, Резьба М20х1,5 наруж., Мембрана: Закрытая, Аналог.выход: 4…20 мА 2-проводн., Разъём М16 DIN 43650, IP65
По запросу (за 1 шт.)
PMP131-A1601A73
Датчик избыточного давления Cerabar T PMP131, 0…250 бар, 0,5 %, Резьба М20х1,5 наруж., Мембрана: Закрытая, Аналог.выход: 4…20 мА 2-проводн., Разъём М16 DIN 43650, IP65
По запросу (за 1 шт.)
PMP131-A1601A74
Датчик избыточного давления Cerabar T PMP131, 0…400 бар, 0,5 %, Резьба М20х1,5 наруж., Мембрана: Закрытая, Аналог.выход: 4…20 мА 2-проводн., Разъём М16 DIN 43650, IP65
По запросу (за 1 шт.)
PMP131-A1B01A1G
Датчик избыточного давления Cerabar T PMP131, 0…1 бар, 0,5 %, Резьба G1/2" наруж. заподлицо, Мембрана: Открытая, Аналог.выход: 4…20 мА 2-проводн., Разъём М16 DIN 43650, IP65
По запросу (за 1 шт.)
PMP131-A1B01A1H
Датчик избыточного давления Cerabar T PMP131, 0…1,6 бар, 0,5 %, Резьба G1/2" наруж. заподлицо, Мембрана: Открытая, Аналог.выход: 4…20 мА 2-проводн., Разъём М16 DIN 43650, IP65
По запросу (за 1 шт.)
PMP131-A1B01A1N
Датчик избыточного давления Cerabar T PMP131, 0…2,5 бар, 0,5 %, Резьба G1/2" наруж. заподлицо, Мембрана: Открытая, Аналог.выход: 4…20 мА 2-проводн., Разъём М16 DIN 43650, IP65
По запросу (за 1 шт.)
PMP131-A1B01A1Q
Датчик избыточного давления Cerabar T PMP131, 0…4 бар, 0,5 %, Резьба G1/2" наруж. заподлицо, Мембрана: Открытая, Аналог.выход: 4…20 мА 2-проводн., Разъём М16 DIN 43650, IP65
По запросу (за 1 шт.)
PMP131-A1B01A1R
Датчик избыточного давления Cerabar T PMP131, 0…6 бар, 0,5 %, Резьба G1/2" наруж. заподлицо, Мембрана: Открытая, Аналог.выход: 4…20 мА 2-проводн., Разъём М16 DIN 43650, IP65
По запросу (за 1 шт.)
PMP131-A1B01A1S
Датчик избыточного давления Cerabar T PMP131, 0…10 бар, 0,5 %, Резьба G1/2" наруж. заподлицо, Мембрана: Открытая, Аналог.выход: 4…20 мА 2-проводн., Разъём М16 DIN 43650, IP65
По запросу (за 1 шт.)
PMP131-A1B01A1T
Датчик избыточного давления Cerabar T PMP131, 0…16 бар, 0,5 %, Резьба G1/2" наруж. заподлицо, Мембрана: Открытая, Аналог.выход: 4…20 мА 2-проводн., Разъём М16 DIN 43650, IP65
По запросу (за 1 шт.)
PMP131-A1B01A1W
Датчик избыточного давления Cerabar T PMP131, 0…25 бар, 0,5 %, Резьба G1/2" наруж. заподлицо, Мембрана: Открытая, Аналог.выход: 4…20 мА 2-проводн., Разъём М16 DIN 43650, IP65
По запросу (за 1 шт.)
PMP131-A1B01A1X
Датчик избыточного давления Cerabar T PMP131, 0…40 бар, 0,5 %, Резьба G1/2" наруж. заподлицо, Мембрана: Открытая, Аналог.выход: 4…20 мА 2-проводн., Разъём М16 DIN 43650, IP65
По запросу (за 1 шт.)
PMP131-A1B01A1Z
Датчик избыточного давления Cerabar T PMP131, 0…60 бар, 0,5 %, Резьба G1/2" наруж. заподлицо, Мембрана: Открытая, Аналог.выход: 4…20 мА 2-проводн., Разъём М16 DIN 43650, IP65
По запросу (за 1 шт.)
PMP131-A1B01A70
Датчик избыточного давления Cerabar T PMP131, 0…100 бар, 0,5 %, Резьба G1/2" наруж. заподлицо, Мембрана: Открытая, Аналог.выход: 4…20 мА 2-проводн., Разъём М16 DIN 43650, IP65
По запросу (за 1 шт.)
PMP131-A1B01A71
Датчик избыточного давления Cerabar T PMP131, 0…160 бар, 0,5 %, Резьба G1/2" наруж. заподлицо, Мембрана: Открытая, Аналог.выход: 4…20 мА 2-проводн., Разъём М16 DIN 43650, IP65
По запросу (за 1 шт.)
PMP131-A1B01A73
Датчик избыточного давления Cerabar T PMP131, 0…250 бар, 0,5 %, Резьба G1/2" наруж. заподлицо, Мембрана: Открытая, Аналог.выход: 4…20 мА 2-проводн., Разъём М16 DIN 43650, IP65
По запросу (за 1 шт.)
PMP131-A1B01A74
Датчик избыточного давления Cerabar T PMP131, 0…400 бар, 0,5 %, Резьба G1/2" наруж. заподлицо, Мембрана: Открытая, Аналог.выход: 4…20 мА 2-проводн., Разъём М16 DIN 43650, IP65
По запросу (за 1 шт.)
PP7553
Реле избыточного давления PP7553, 0…25 бар, 0,5 %, Резьба G1/4" наруж., Мембрана: Закрытая, Дискр.выход: 2xNO/NC PNP, Разъём M12 наруж., IP68
По запросу (за 1 шт.)
PP7554
Реле избыточного давления PP7554, -1…10 бар, 0,5 %, Резьба G1/4" наруж., Мембрана: Закрытая, Дискр.выход: 2xNO/NC PNP, Разъём M12 наруж., IP68
По запросу (за 1 шт.)
PT3544
Датчик избыточного давления PT3544, 0…10 бар, 1 %, Резьба G1/4" наруж., Мембрана: Закрытая, Аналог.выход: 4…20 мА 2-проводн., Разъём M12 наруж., IP67
По запросу (за 1 шт.)
TM-510-R-0-6-(0-0,25MPa)-G1/2-1,5
Электроконтактный манометр ТМ-510, 0…0,25 МПа, 1,5 %, Резьба G1/2" наруж., Дискр.выход: 1xNO/1xNC (ЛЗПР), Колодка, IP40
По запросу (за 1 шт.)
TM-510-R-0-6-(0-0,25MPa)-M20x1,5-1,5
Электроконтактный манометр ТМ-510, 0…0,25 МПа, 1,5 %, Резьба М20х1,5 наруж., Дискр.выход: 1xNO/1xNC (ЛЗПР), Колодка, IP40
По запросу (за 1 шт.)
TM-510-R-0-6-(0-0,4MPa)-G1/2-1,5
Электроконтактный манометр ТМ-510, 0…0,4 МПа, 1,5 %, Резьба G1/2" наруж., Дискр.выход: 1xNO/1xNC (ЛЗПР), Колодка, IP40
По запросу (за 1 шт.)
TM-510-R-0-6-(0-0,4MPa)-M20x1,5-1,5
Электроконтактный манометр ТМ-510, 0…0,4 МПа, 1,5 %, Резьба М20х1,5 наруж., Дискр.выход: 1xNO/1xNC (ЛЗПР), Колодка, IP40
По запросу (за 1 шт.)
TM-510-R-0-6-(0-0,6MPa)-G1/2-1,5
Электроконтактный манометр ТМ-510, 0…0,6 МПа, 1,5 %, Резьба G1/2" наруж., Дискр.выход: 1xNO/1xNC (ЛЗПР), Колодка, IP40
По запросу (за 1 шт.)
TM-510-R-0-6-(0-0,6MPa)-M20x1,5-1,5
Электроконтактный манометр ТМ-510, 0…0,6 МПа, 1,5 %, Резьба М20х1,5 наруж., Дискр.выход: 1xNO/1xNC (ЛЗПР), Колодка, IP40
По запросу (за 1 шт.)
TM-510-R-0-6-(0-1,6MPa)-G1/2-1,5
Электроконтактный манометр ТМ-510, 0…1,6 МПа, 1,5 %, Резьба G1/2" наруж., Дискр.выход: 1xNO/1xNC (ЛЗПР), Колодка, IP40
По запросу (за 1 шт.)
TM-510-R-0-6-(0-1,6MPa)-M20x1,5-1,5
Электроконтактный манометр ТМ-510, 0…1,6 МПа, 1,5 %, Резьба М20х1,5 наруж., Дискр.выход: 1xNO/1xNC (ЛЗПР), Колодка, IP40
По запросу (за 1 шт.)
TM-510-R-0-6-(0-10MPa)-G1/2-1,5
Электроконтактный манометр ТМ-510, 0…10 МПа, 1,5 %, Резьба G1/2" наруж., Дискр.выход: 1xNO/1xNC (ЛЗПР), Колодка, IP40
По запросу (за 1 шт.)
TM-510-R-0-6-(0-10MPa)-M20x1,5-1,5
Электроконтактный манометр ТМ-510, 0…10 МПа, 1,5 %, Резьба М20х1,5 наруж., Дискр.выход: 1xNO/1xNC (ЛЗПР), Колодка, IP40
По запросу (за 1 шт.)
TM-510-R-0-6-(0-16MPa)-G1/2-1,5
Электроконтактный манометр ТМ-510, 0…16 МПа, 1,5 %, Резьба G1/2" наруж., Дискр.выход: 1xNO/1xNC (ЛЗПР), Колодка, IP40
По запросу (за 1 шт.)
TM-510-R-0-6-(0-16MPa)-M20x1,5-1,5
Электроконтактный манометр ТМ-510, 0…16 МПа, 1,5 %, Резьба М20х1,5 наруж., Дискр.выход: 1xNO/1xNC (ЛЗПР), Колодка, IP40
По запросу (за 1 шт.)
TM-510-R-0-6-(0-1MPa)-G1/2-1,5
Электроконтактный манометр ТМ-510, 0…1 МПа, 1,5 %, Резьба G1/2" наруж., Дискр.выход: 1xNO/1xNC (ЛЗПР), Колодка, IP40
По запросу (за 1 шт.)
TM-510-R-0-6-(0-1MPa)-M20x1,5-1,5
Электроконтактный манометр ТМ-510, 0…1 МПа, 1,5 %, Резьба М20х1,5 наруж., Дискр.выход: 1xNO/1xNC (ЛЗПР), Колодка, IP40
По запросу (за 1 шт.)
TM-510-R-0-6-(0-2,5MPa)-G1/2-1,5
Электроконтактный манометр ТМ-510, 0…2,5 МПа, 1,5 %, Резьба G1/2" наруж., Дискр.выход: 1xNO/1xNC (ЛЗПР), Колодка, IP40
По запросу (за 1 шт.)
TM-510-R-0-6-(0-2,5MPa)-M20x1,5-1,5
Электроконтактный манометр ТМ-510, 0…2,5 МПа, 1,5 %, Резьба М20х1,5 наруж., Дискр.выход: 1xNO/1xNC (ЛЗПР), Колодка, IP40
По запросу (за 1 шт.)
TM-510-R-0-6-(0-25MPa)-G1/2-1,5
Электроконтактный манометр ТМ-510, 0…25 МПа, 1,5 %, Резьба G1/2" наруж., Дискр.выход: 1xNO/1xNC (ЛЗПР), Колодка, IP40
По запросу (за 1 шт.)
TM-510-R-0-6-(0-25MPa)-M20x1,5-1,5
Электроконтактный манометр ТМ-510, 0…25 МПа, 1,5 %, Резьба М20х1,5 наруж., Дискр.выход: 1xNO/1xNC (ЛЗПР), Колодка, IP40
По запросу (за 1 шт.)
TM-510-R-0-6-(0-40MPa)-G1/2-1,5
Электроконтактный манометр ТМ-510, 0…40 МПа, 1,5 %, Резьба G1/2" наруж., Дискр.выход: 1xNO/1xNC (ЛЗПР), Колодка, IP40
По запросу (за 1 шт.)
TM-510-R-0-6-(0-40MPa)-M20x1,5-1,5
Электроконтактный манометр ТМ-510, 0…40 МПа, 1,5 %, Резьба М20х1,5 наруж., Дискр.выход: 1xNO/1xNC (ЛЗПР), Колодка, IP40
По запросу (за 1 шт.)
TM-510-R-0-6-(0-4MPa)-G1/2-1,5
Электроконтактный манометр ТМ-510, 0…4 МПа, 1,5 %, Резьба G1/2" наруж., Дискр.выход: 1xNO/1xNC (ЛЗПР), Колодка, IP40
По запросу (за 1 шт.)
TM-510-R-0-6-(0-4MPa)-M20x1,5-1,5
Электроконтактный манометр ТМ-510, 0…4 МПа, 1,5 %, Резьба М20х1,5 наруж., Дискр.выход: 1xNO/1xNC (ЛЗПР), Колодка, IP40
По запросу (за 1 шт.)
TM-510-R-0-6-(0-60MPa)-G1/2-1,5
Электроконтактный манометр ТМ-510, 0…60 МПа, 1,5 %, Резьба G1/2" наруж., Дискр.выход: 1xNO/1xNC (ЛЗПР), Колодка, IP40
По запросу (за 1 шт.)
TM-510-R-0-6-(0-60MPa)-M20x1,5-1,5
Электроконтактный манометр ТМ-510, 0…60 МПа, 1,5 %, Резьба М20х1,5 наруж., Дискр.выход: 1xNO/1xNC (ЛЗПР), Колодка, IP40
По запросу (за 1 шт.)
TM-510-R-0-6-(0-6MPa)-G1/2-1,5
Электроконтактный манометр ТМ-510, 0…6 МПа, 1,5 %, Резьба G1/2" наруж., Дискр.выход: 1xNO/1xNC (ЛЗПР), Колодка, IP40
По запросу (за 1 шт.)
TM-510-R-0-6-(0-6MPa)-M20x1,5-1,5
Электроконтактный манометр ТМ-510, 0…6 МПа, 1,5 %, Резьба М20х1,5 наруж., Дискр.выход: 1xNO/1xNC (ЛЗПР), Колодка, IP40
По запросу (за 1 шт.)
Датчики расхода
10D1H-4CGA1AA0A4AA
Расходомер электромагнитный Promag 10D, 20…1200 дм3/мин, 0,5 %, Межфланцевое Ду100, Аналог.выход: 4…20 мА HART 2-проводн., Число-имп.выход: 1, Интерфейс: нет, IP67
По запросу (за 1 шт.)
10D25-4CGA1AA0A4AA
Расходомер электромагнитный Promag 10D, 1…75 дм3/мин, 0,5 %, Межфланцевое Ду25, Аналог.выход: 4…20 мА HART 2-проводн., Число-имп.выход: 1, Интерфейс: нет, IP67
По запросу (за 1 шт.)
10D40-4CGA1AA0A4AA
Расходомер электромагнитный Promag 10D, 3…200 дм3/мин, 0,5 %, Межфланцевое Ду40, Аналог.выход: 4…20 мА HART 2-проводн., Число-имп.выход: 1, Интерфейс: нет, IP67
По запросу (за 1 шт.)
10D50-4CGA1AA0A4AA
Расходомер электромагнитный Promag 10D, 5…300 дм3/мин, 0,5 %, Межфланцевое Ду50, Аналог.выход: 4…20 мА HART 2-проводн., Число-имп.выход: 1, Интерфейс: нет, IP67
По запросу (за 1 шт.)
10D65-4CGA1AA0A4AA
Расходомер электромагнитный Promag 10D, 8…500 дм3/мин, 0,5 %, Межфланцевое Ду65, Аналог.выход: 4…20 мА HART 2-проводн., Число-имп.выход: 1, Интерфейс: нет, IP67
По запросу (за 1 шт.)
10D80-4CGA1AA0A4AA
Расходомер электромагнитный Promag 10D, 12…750 дм3/мин, 0,5 %, Межфланцевое Ду80, Аналог.выход: 4…20 мА HART 2-проводн., Число-имп.выход: 1, Интерфейс: нет, IP67
По запросу (за 1 шт.)
91WA1-AA1A00ACA4AA
Расходомер ультразвуковой накладной Prosonic 91WA1, , 2 %, Накладное Ду50-200, Аналог.выход: 4…20 мА HART 2-проводн., Число-имп.выход: 1, Интерфейс: нет, IP67
По запросу (за 1 шт.)
91WA1-AA2A00ACA4AA
Расходомер ультразвуковой накладной Prosonic 91WA1, , 2 %, Накладное Ду200-600, Аналог.выход: 4…20 мА HART 2-проводн., Число-имп.выход: 1, Интерфейс: нет, IP67
По запросу (за 1 шт.)
91WA1-AA3A00ACA4AA
Расходомер ультразвуковой накладной Prosonic 91WA1, , 2 %, Накладное Ду600-2000, Аналог.выход: 4…20 мА HART 2-проводн., Число-имп.выход: 1, Интерфейс: нет, IP67
По запросу (за 1 шт.)
93WA1-AA1A00ACAEAA
Расходомер ультразвуковой накладной Prosonic 91WA1, , 2 %, Накладное Ду50-200, Аналог.выход: 4…20 мА HART 2-проводн., Число-имп.выход: 1, Интерфейс: нет, IP67
По запросу (за 1 шт.)
93WA1-AA2A00ACAEAA
Расходомер ультразвуковой накладной Prosonic 91WA1, , 2 %, Накладное Ду200-600, Аналог.выход: 4…20 мА HART 2-проводн., Число-имп.выход: 1, Интерфейс: нет, IP67
По запросу (за 1 шт.)
93WA1-AA3A00ACAEAA
Расходомер ультразвуковой накладной Prosonic 91WA1, , 2 %, Накладное Ду600-2000, Аналог.выход: 4…20 мА HART 2-проводн., Число-имп.выход: 1, Интерфейс: нет, IP67
По запросу (за 1 шт.)
93WA1-AA4A00ACAEAA
Расходомер ультразвуковой накладной Prosonic 91WA1, , 2 %, Накладное Ду2000-4000, Аналог.выход: 4…20 мА HART 2-проводн., Число-имп.выход: 1, Интерфейс: нет, IP67
По запросу (за 1 шт.)
SI5004
Датчик потока калориметрический SI5004, 3…300 см/с, Накидная гайка М18х1,5 внутр., Аналог.выход: 4…20 мА 3-проводн., IP67
По запросу (за 1 шт.)
Датчики вибрации
VKV021
Датчик вибрации VKV021, 0…25 мм/с, 5 %, Резьба М8 наруж., Аналог.выход: 4…20 мА 3-проводн., Дискр.выход: 1xNC PNP, Разъём M12 наруж., IP67
По запросу (за 1 шт.)
VKV022
Датчик вибрации VKV022, 0…50 мм/с, 5 %, Резьба М8 наруж., Аналог.выход: 4…20 мА 3-проводн., Дискр.выход: 1xNC PNP, Разъём M12 наруж., IP67
По запросу (за 1 шт.)
VNB001
Датчик вибрации VNB001, 0…500 мм/с, 3 %, Винт М5/М8, Аналог.выход: 4…20 мА 3-проводн., Дискр.выход: 2хNC/NO PNP, USB, Разъём M12 наруж., Разъём М8 внутр., IP67
По запросу (за 1 шт.)
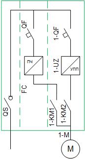
Схема силовая однолинейная - 1 электродвигатель, схема пуска FF (от ПЧ или УПП), схема питания 1N (1 ввод, без АВР, с выключателем-разъединителем)
Схемы силовые
Схема автоматизации общая -  тип шкафа С (без блока автоматики), 1 насос
Схемы автоматизации
Схема подключений общая - тип шкафа С (без блока автоматики), 1 насос, 1 ввод питания
Схемы подключений
Название Дата размещения Формат Размер
Каталоги
Каталог - Шкафы управления INOVA Smart PCS UG07 09.03.2022 PDF 1.9 MB
Опросные листы
Опросный лист - Шкафы управления INOVA Smart PCS UG07 09.03.2022 PDF 0.09 MB