VW3A5303
dv/dt фильтр 25 А, IP20Основные характеристики
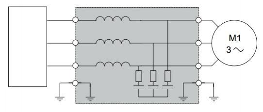
| Применение | Для ограничения величины и скорости нарастания напряжения на ЭД. Позволяет увеличить предельную длину кабеля ЭД |
| Марка | Altivar Process |
| Тип | dv/dt фильтр |
| Номинальный ток, А | 25 |
| Длина кабеля | 300 м экранированный кабель; 500 м неэкранированный кабель |
| Степень защиты корпуса | IP20 |
Производитель: Schneider Electric
Цена: По запросу (за 1 шт)

